新闻中心

搜索:

消防强排烟风机接线图与消防排烟风机的接线法

文章来源:鑫佳通 作者:消防排烟风机小编 发布时间:2017-12-26 17:16:25 浏览次数:80182

随着各种工业装置规模的日益大型化,消防强排烟风机使用更加广泛。消防强排烟风机在试车前,应仔细阅读产品说明书,并严格按照接线图所示方法接线。

很多公司在安装消防强排烟风机时,由于电工师傅对消防排烟风机不是很了解,出现了线路接反,叶轮反转烧坏电机的现象,今天我们就讲一下正确的消防强排烟风机接线方法,希望对大家有所帮助.


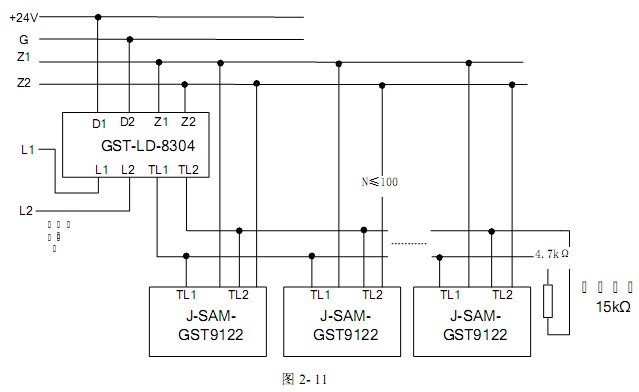
消防强排烟风机接线图

消防强排烟风机接线图


1、从消防主机拉五根线到消防强排烟风机电源控制箱,分别接请求,应答,常态,故障,COM,当然不同的消防设备,有不同的接法,具体还要看现场消防主机.

消防强排烟风机接线图

2、这个是消防联动的问题,当探测区域内的报警器(烟感,温感)手报等发出报警信号后,消防主机接受这个信号,发出报警信号,并通过预先在主机内设置好的程序,是相应的联动系统动作(电源强切,电梯迫降,卷帘控制,声光报警,广播启动,排烟风机启动等)。

排烟风机控制箱接线图

3、如果消防主机是在自动裆上,就会自动启动相应的联动系统,如果在手动,会发出请求信号,需要操作员手动启动。  消防设备上需要安装了有多线控制盘,然后连五根线到风机控制箱,分别接启动,停止,反馈,故障,COM,接线端上。

排烟风机接线图讲解

消防排烟风机的接线法

1、通常,我们风机所配电机的功率在三千瓦一下的为Y接法;三千瓦以上的为△接法.

2、消防控制室到消防排烟风机的联动控制,通常采用多线直接控制,敷设四芯电缆到风机控制柜。报警主机的手动多线盘有2芯24V输出和无源常开反馈接口,接线时对应消防风机控制柜的启动端子和无源常开信号反馈端子即可。也就是说QD+,QD-之间是24V输出,接控制柜24V启动,HD+,QD-之间是无无源常开反馈信号输入,接控制柜的反馈。

3、双速消防排烟风机的接线方法,双速风机所配双速电机其定子绕组为△/YY(或Y/YY)接法.两种接线方法如图所示:第一个是单速消防高温排烟风机的接法,另一个是双速消防强排烟风机接线图.

双速排烟风机接线图

4、双速消防排烟风机的控制原则:我们双速风机所配双速电机其定子绕组为△/YY(或Y/YY)接法,调速基本原理通过 改变电机定子绕组间的连接方式,使其改变极数以达到调速目的,低速工作时为△(或Y)方式,高速工作时为YY方式.风机电控箱所配的断路器、保护装置及其 他电器元件,必须按风机额定容量正确合理选配.

5、如果单独试双速消防排烟风机时,必须为低速为1#线端子进电,2#线端子空;高速为1#线端子串 联,2#线端子进电.严禁在调试过程中将接线端子混淆,否则电机立即烧毁.

6、风机得有配电箱控制开启和停止,配风机电箱的厂家需加消防24V控制开启关闭两套,直启停和联动启停,你提到的四颗双绞线是联动线姐消防控制模块控制联动启停风机,再布一颗2--6芯1.5平方线,几芯取决于消防设备,6芯多数都能实现,最多8芯。


以上的讲解就是正确的消防排烟风机接线方法,希望电工在消防排烟风机安装调试接线前好好地看看说明书或者以上介绍,不要再出现烧坏电机的情况了.


上一条:消防高温排烟轴流风机应用和性能有哪些?消防高温排烟风机性能 下一条:轴流式消防排烟风机安装方法以及使用注意事项 返回列表